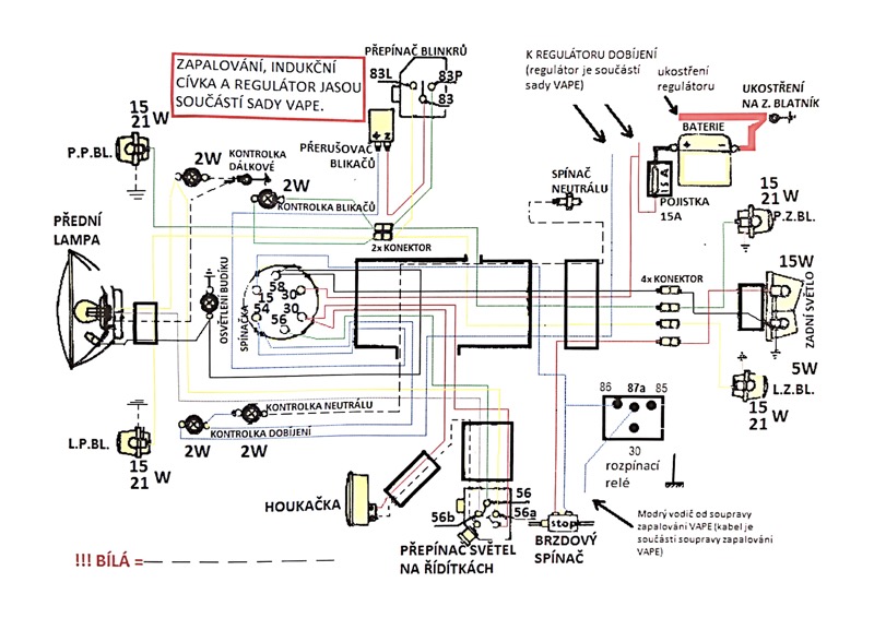
Elektrische Anlage (VAPE) 12V - JAWA 350 634 (mit einer Zündspule)

Elektrische Anlage (VAPE) 12V - JAWA 350 634 (mit einer Zündspule)

8 Punkt in das Treueprogramm

Produktcode: 4490 Hersteller: CZ
43,95 EUR mit MWST
Produktcode: 4490 Hersteller: CZ

Elektrische Anlage (VAPE) - JAWA 350 634 (mit einer Zündspule)


Elektrische Anlage für VAPE-Zündung.

 

JAWA

350 Typ 634

 


Hinweis: Wir übernehmen keine Verantwortung für eine unsachgemäße Montage bzw. für nicht funktionierende Teile der elektrischen Anlage, die durch fachgerechte Montage verursacht wurden.

Parameter
Lieferant CZ
Ausführung Svazek el. + schéma
Gewicht 0,670 kg
%s ...
%s
%image %title %code %s
%s